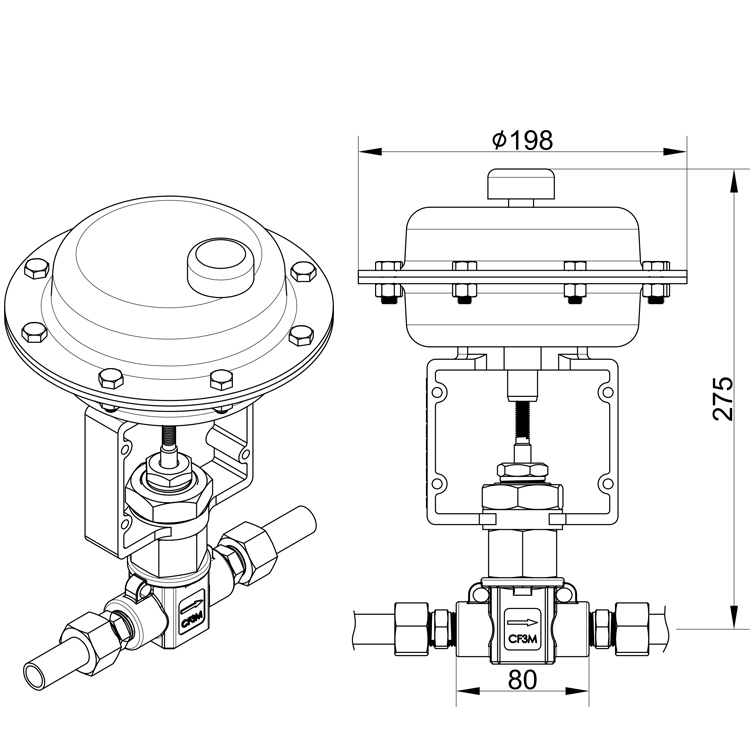
進口氣動高壓小流量調節閥是氣動單元組合儀表中的調節器。708-ZXPE微小流量調節閥可以安裝在液體、氣體、蒸氣等的介質輸送管道上,708-ZXPE小流量調節閥可以與氣動執行器、減壓器、定值器或其他儀表配合使用,德國萊克小流量調節閥能達到對輸送管道內的介質參數進行準確調節與控制。

進口氣動高壓小流量調節閥的主要性能指標
|
公稱通徑DN |
1/4"、1/2"、3/4"(ZG螺紋,NPT螺紋) |
||||||||||||||
|
額定流量系數Cv |
直線 |
0.005 |
0.01 |
0.02 |
0.05 |
0.1 |
0.2 |
0.5 |
0.63 |
1.1 |
1.25 |
1.6 |
2.0 |
||
|
等百分比 |
— |
— |
0.02 |
0.05 |
0.1 |
0.2 |
0.5 |
0.63 |
1.1 |
1.25 |
1.6 |
2.0 |
|||
|
額定行程(mm) |
10、16 |
||||||||||||||
|
膜片有效面積Ae(cm2) |
100、200 |
||||||||||||||
|
公稱壓力 |
MPa |
1.6, 2.5, 4.0,6.4(6.3) /2.0, 5.0, 11.0 |
|||||||||||||
|
Bar |
16, 25, 40, 64(63)/20, 50, 110 |
||||||||||||||
|
Lb |
ANSI:Class150、Class300、Class600 |
||||||||||||||
|
連接方式 |
內螺紋、法蘭、焊接式、VCR等定制 |
||||||||||||||
|
流量特性 |
直線、修正直線、修正等百分比 |
||||||||||||||
|
閥芯形式 |
針形(柱塞式) |
||||||||||||||
|
固有可調比 |
50:1 |
||||||||||||||
|
執行機構形式 |
電子式 |
電源電壓:AC220V,DC24V等,控制信號:DC4-20mA等 |
|||||||||||||
|
氣動 薄膜式 |
氣源壓力:0.14/0.25MPa,彈簧范圍20~100KPa、40-200KPa等 |
||||||||||||||
|
允許泄漏量 |
Ⅳ級、Ⅵ級(微氣泡級) |
||||||||||||||
|
工作溫度 t(℃) |
-20~200 、-40~250、-60~250等 |
||||||||||||||
|
附件 |
電氣閥門定位器(SIEMENS:6DR5 Series、YTSeries、AVPSeries and so on) 電氣轉換器(BELLOFRAM:T-1000 Series) 電子式電動執行器(PSL Series) |
||||||||||||||